- Moteurs électriques
- Ventilateurs
- Equipements de traitements des condensats
-
Bourrelets et Joints de porte
- Joints caoutchouc pour chambres froides
- Joint mousse et caoutchouc cellulaire pour chambre froide
- Joints silicone pour portes de four
- Profils PVC plats avec aimant JPF pour meubles frigo
- Profils PVC plats sans aimant JPF pour meubles frigo
- Profils PVC à clipser avec aimant JPC pour meubles frigo
- Profils PVC à clipser sans aimant JPC pour meubles frigo
- Profils PVC à perle avec aimant JPP pour meubles frigo
- Profils PVC à perle sans aimant JPP pour meubles frigo
- Accessoires et colles pour joints de portes
- Rénovation - Isolation
- Chauffage électrique Infrarouge
Maintenance & rénovation
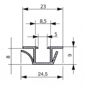
Profils PVC à clipser sans aimant JPC pour meubles frigo
Pour palier aux problèmes d’étanchéité et d’hygiène récurrents sur les chambres froides, les vitrines réfrigérées ou réfrigérateurs, changez de façon préventive les joints d’étanchéité et améliorer vos performances énergétiques.
Optimum-ds vous aide à trouver le bon modèle de joints PVC à clipser sans aimant de type JPC parmi la vaste gamme qui vous est proposée.
Et dans le cas où aucun type de convient, nos conseillers sont à votre écoute pour vous proposer une solution sur mesure.